您好,欢迎访问 深圳市圳虹科技有限公司 公司网站!主营:武藏点胶机、好握速螺丝刀、非标自动机定制、三菱电机等日本工具
深圳市圳虹科技有限公司
自动化设备
一站式服务商
咨询热线:
15712188010(冉经理)
首页
武藏点胶机
螺杆阀
压电阀
产品中心
行业应用
新闻资讯
关于我们
联系我们
首页
>
新闻资讯
>
行业资讯
公司新闻
行业资讯
常见问题
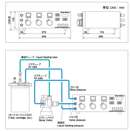
武藏点胶机数字控制喷雾控制器 SPRAYMASTER ME-5000SP
发布时间:2025-07-07
/
阅读量:342
上一篇:
气动点胶阀针头挂滴的原因以及解决挂滴的方法
下一篇:
完全的PC控制小型分注系统PIPET MASTER
相关推荐
日本武藏MUSASHI点胶机全自动点胶机/打胶滴胶注胶机产品特点
使用点胶机点胶时应注意的事项
在线客服
服务热线
15712188010(冉经理)
微信扫码
返回顶部